L500 TWO COLOR TRANSPARENT TYPE LEVEL GAUGE
Beschreibung
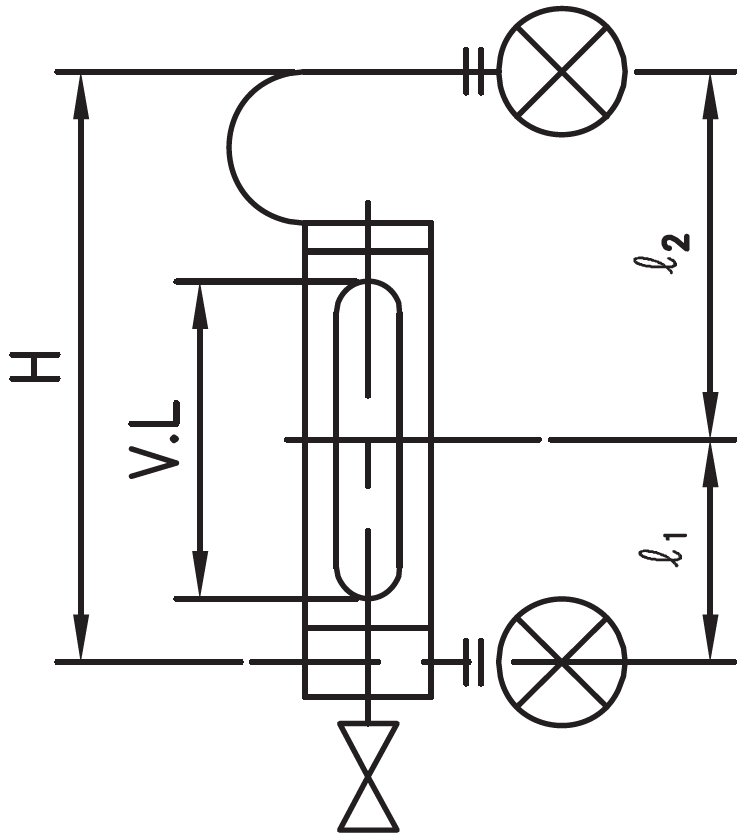
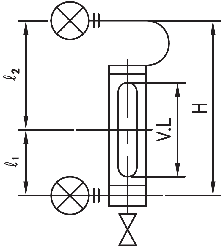
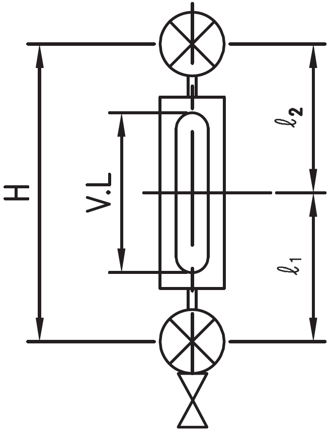
The body of the two color type gauges are V shaped on it’s angle, as you see in the cross sectional view, in order split light from illuminator (installed behind the gauge) into two colors which are green and red. The cover plates of these models are all provided with rib reinforcement.
Alle Funktionen und technischen Daten können ohne Ankündigung geändert werden, Lieferung vorbehaltlich Verfügbarkeit,Korrektur von Irrtümern und Auslassungen vorbehalten.















